|
省配線產品
|
繼電器輸入端子板FS-8DI-RL-AC 通道數: 8 路 模 式: 單線制數字量輸入繼電器隔離 信號輸入:干濕通用(干接點、電平、) 信號輸出:低電平、高電平可選 信號反向設置(非邏輯) 35mm 導軌安裝
原理圖:
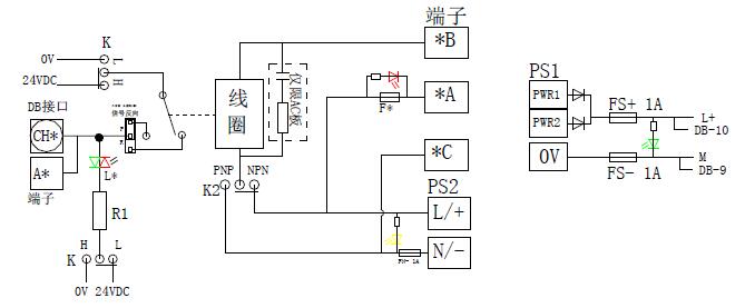
接線圖:
針腳定義:
常用設置: 1、開關K 用于高低有效切換 高有效(H)適用于歐美系PLC,低有效(L)適用于日臺系PLC 2、開關K2 用于NPN/PNP 切換,干接點輸入時選PNP 檔 3、回路邏輯:短路帽插入P 檔為正向,插入R 檔為反向(邏輯非) 電源設置: DB 口含有2 芯電源線,DB-9 作為信號公共 端。帶有RC抗感應電路。
|
||||||||||||||||||||||||||||||||||||||||||||||||||||||||||||||||||||||||||||
| 上一篇: FS-X40 直連板 | 下一篇: FS-16DI-RL-AC V2 繼電器輸入板 |




